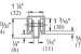
Standard Dimensions:
- Hole Diameter: 9/16″ (14mm)
- Hole Spacing (From End): 13/16″ (21mm)
- Hole Spacing (On Center): 1-7/8″ (48mm)
- Width: 1-5/8″ (41mm)
- Thickness: 1/4″ (6mm)
Clevis Material: 12 gauge.
*Wheel bearings are stainless steel, and should not be lubricated.
â/ “N” indicates acetal wheels.


