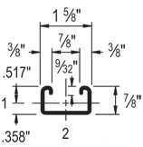
The Unistrut P3300 has dimensions of 1-5/8″ x 7/8″ with a wall of 12 ga (.105″). It is shorter than both the P1000 and P3000.
| Elements of Section – P3300 | ||
| Area of Section | 0.395 in2 (2.5 cm2) | |
| Axis 1-1 | Axis 2-2 | |
| Moment of Inertia (I) | 0.037 in4 (1.5 cm4) | 0.143 in4 (6.0 cm4) |
| Section Modulus (S) | 0.072 in3 (1.2 cm3) | 0.176 in3 (2.9 cm3) |
| Radius of Gyration (r) | 0.306 in(0.8 cm) | 0.601 in(1.5 cm) |
| Column Loading – P3300 Unbraced Height (in) Allowable Load at Slot Face (lbs) Max Column Load Applied at C.G. K=0.65 (lbs) K=0.80 (lbs) K=1.0 (lbs) K=1.2 (lbs) 24 2,360 7,740 7,260 6,350 5,390 36 2,120 6,470 5,390 3,990 2,810 48 1,760 4,910 3,550 2,270 1,580 60 1,380 3,440 2,270 1,460 * 72 1,080 2,390 1,580 * * *KL/r > 200 |
| Beam Loading – P3300 | ||||||
| Span (in) | Max Allowable Uniform Load (lbs) | Defl at Uniform load (in) | Uniform Loading at Deflection | Lateral Bracing Reduction Factor | ||
| Span /180 (lbs) | Span /240 (lbs) | Span /360 (lbs) | ||||
| 24 | 600 | 0.10 | 600 | 600 | 400 | 1.00 |
| 36 | 400 | 0.22 | 360 | 270 | 180 | 1.00 |
| 48 | 300 | 0.40 | 200 | 150 | 100 | 1.00 |
| 60 | 240 | 0.62 | 130 | 100 | 60 | 0.98 |
| 72 | 200 | 0.89 | 90 | 70 | 40 | 0.97 |
| 84 | 170 | 1.20 | 70 | 50 | 30 | 0.96 |
| 96 | 150 | 1.59 | 50 | 40 | 30 | 0.94 |
| 108 | 130 | 1.96 | 40 | 30 | 20 | 0.93 |
| 120 | 120 | 2.48 | 30 | 20 | 20 | 0.92 |
Notes:
- Above loads include the weight of the member. This weight must be deducted to arrive at the net allowable load the beam will support.
- Long span beams should be supported so as to prevent rotation and twist.
- Allowable uniformly distributed loads are listed for various simple spans, that is, a beam on two supports. If load is concentrated at the center of the span, multiply load from the table by 0.5 and corresponding deflection by 0.8.
- The lateral bracing factor should be multiplied by the load to determine the load retained based on the distance between lateral
- Includes closure and end caps unless otherwise requested.P3380 end cap used when distance to first anchor is up to 2″ (51 mm).
- P3703 end cap is used when end distance to first anchor is over 2″ (51 mm).Nail or anchor inserts to forms every 16″ (406 mm) to 24″ (610 mm).
- Anchors are 8″ (203 mm) on center.Material: Cold formed from 12 Ga. (3 mm) steel conforming to ASTM A1011 SS GR. 33 or A653 GR 33. A. Stainless steel available on special order.
- Finish: Choice of Perma-Green III (GR), hot-dipped galvanized (HG) conforming to ASTM A123 or A153, pre-galvanized (PG) conforming to ASTM A653-G90, or plain (PL).NC Suffix â// No Closure Strip, W/End Caps & Back Plates
- WC Suffix â// W/Closure Strip, End Caps & Back PlatesX â// No Closure Strip, No End Caps, W/Back Plates






