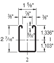
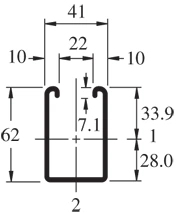
The Unistrut P5500 is a 1-5/8″ x 2-7/16″ channel. It has a 12 ga (.105″) wall and is shorter than P5000 but taller than the P1000.
| Elements of Section – P5500 | ||
| Area of Section | 0.726 in2 (4.7 cm2) | |
| Axis 1-1 | Axis 2-2 | |
| Moment of Inertia (I) | 0.522 in4 (21.7 cm4) | 0.334 in4 (13.9 cm4) |
| Section Modulus (S) | 0.390 in3 (6.4 cm3) | 0.411 in3 (6.7 cm3) |
| Radius of Gyration (r) | 0.848 in(2.2 cm) | 0.679 in(1.7 cm) |
| Column Loading – P5500 Unbraced Height (in) Allowable Load at Slot Face (lbs) Max Column Load Applied at C.G. K=0.65 (lbs) K=0.80 (lbs) K=1.0 (lbs) K=1.2 (lbs) 24 4,640 13,840 12,570 10,840 9,190 36 3,970 11,050 9,190 7,030 5,370 48 3,180 8,420 6,390 4,620 3,630 60 2,550 6,250 4,620 3,450 2,780 72 2,120 4,790 3,630 2,780 2,260 84 1,810 3,890 3,010 2,330 1,910 96 1,580 3,290 2,580 2,020 1,650 108 1,400 2,860 2,260 1,770 1,440 120 1,270 2,530 2,020 1,580 * 144 1,060 2,070 1,650 * * 168 920 1,750 1,380 * * *KL/r > 200 |
| Beam Loading – P5500 | ||||||
| Span (in) | Max Allowable Uniform Load (lbs) | Defl at Uniform load (in) | Uniform Loading at Deflection | Lateral Bracing Reduction Factor | ||
| Span /180 (lbs) | Span /240 (lbs) | Span /360 (lbs) | ||||
| 24 | 3,270 | 0.04 | 3,270 | 3,270 | 3,270 | 0.99 |
| 36 | 2,180 | 0.09 | 2,180 | 2,180 | 2,180 | 0.89 |
| 48 | 1,640 | 0.15 | 1,640 | 1,640 | 1,420 | 0.77 |
| 60 | 1,310 | 0.24 | 1,310 | 1,310 | 910 | 0.67 |
| 72 | 1,090 | 0.34 | 1,090 | 950 | 630 | 0.58 |
| 84 | 940 | 0.47 | 930 | 700 | 470 | 0.51 |
| 96 | 820 | 0.61 | 710 | 530 | 360 | 0.46 |
| 108 | 730 | 0.78 | 560 | 420 | 280 | 0.42 |
| 120 | 650 | 0.95 | 460 | 340 | 230 | 0.40 |
| 144 | 550 | 1.39 | 320 | 240 | 160 | 0.36 |
| 168 | 470 | 1.89 | 230 | 170 | 120 | 0.32 |
| 192 | 410 | 2.46 | 180 | 130 | 90 | 0.30 |
| 216 | 360 | 3.07 | 140 | 110 | 70 | 0.28 |
| 240 | 330 | 3.86 | 110 | 90 | 60 | 0.26 |
Notes:
- Above loads include the weight of the member. This weight must be deducted to arrive at the net allowable load the beam will support.
- Long span beams should be supported so as to prevent rotation and twist.
- Allowable uniformly distributed loads are listed for various simple spans, that is, a beam on two supports. If load is concentrated at the center of the span, multiply load from the table by 0.5 and corresponding deflection by 0.8.
- The lateral bracing factor should be multiplied by the load to determine the load retained based on the distance between lateral braces.






