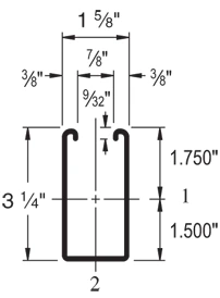
The Unistrut P5000 1-5/8″ x 3-1/4″ channel is our tallest standard member and has a 12 ga (.105″) wall.

Elements of Section – P5000
Area of Section0.897 in2 (5.8 cm2)
 Axis 1-1Axis 2-2
Moment of Inertia (I)1.098 in4 (45.7 cm4)0.433 in4 (18.0 cm4)
Section Modulus (S)0.627 in3 (10.3 cm3)0.533 in3 (8.7 cm3)
Radius of Gyration (r)1.107 in(2.8 cm)0.695 in(1.8 cm)
Column Loading – P5000 Unbraced
Height
(in) Allowable
Load at
Slot Face
(lbs) Max Column Load
Applied at C.G. K=0.65
(lbs) K=0.80
(lbs) K=1.0
(lbs) K=1.2
(lbs) 24 5,650 16,870 15,180 12,850 10,600 36 4,690 13,140 10,600 7,650 5,660 48 3,560 9,550 6,860 4,790 3,660 60 2,730 6,680 4,790 3,450 2,710 72 2,160 4,980 3,660 2,710 2,170 84 1,760 3,950 2,960 2,240 1,820 96 1,500 3,270 2,500 1,930 1,580 108 1,310 2,800 2,170 1,690 1,390 120 1,170 2,450 1,930 1,510 * 144 980 1,980 1,580 * * 168 850 1,670 1,340 * * *KL/r > 200
Beam Loading – P5000
Span
(in)
Max
Allowable
Uniform
Load
(lbs)
Defl at
Uniform
load
(in)
Uniform Loading
at Deflection
Lateral
Bracing
Reduction
Factor
Span
/180
(lbs)
Span
/240
(lbs)
Span
/360
(lbs)
245,2600.035,2605,2605,2600.98
363,5000.073,5003,5003,5000.85
482,6300.122,6302,6302,6300.70
602,1000.182,1002,1001,9200.55
721,7500.261,7501,7501,3300.44
841,5000.361,5001,4709800.38
961,3100.471,3101,1207500.33
1081,1700.591,1708905900.30
1201,0500.739607204800.28
1448801.066705003300.24
1687501.434903702400.22
1926601.883702801900.21
2165802.353002201500.19
2405302.952401801200.18

Notes:

  1. Above loads include the weight of the member. This weight must be deducted to arrive at the net allowable load the beam will support.
  2. Long span beams should be supported so as to prevent rotation and twist.
  3. Allowable uniformly distributed loads are listed for various simple spans, that is, a beam on two supports. If load is concentrated at the center of the span, multiply load from the table by 0.5 and corresponding deflection by 0.8.
  4. The lateral bracing factor should be multiplied by the load to determine the load retained based on the distance between lateral braces.
Part No.FinishLengthWeightBox Qty.
P5000GR20305.00500
P5000GR10305.00250
P5000PG10305.00250
P5000PG20305.00500
P5000HG20323.30500
P5000HG10323.30250
P5000ZD10305.00250
P5000ZD20305.00500
P5000PL10305.00250
P5000PL20305.00500